14+ allison 1000 tcm wiring diagram

Get allison 1000 for your vehicle. 34 allison 1000 valve body diagram.


Seven Days May 8 2019 By Seven Days Issuu

Allison 2000 wiring diagram.

. Tcm Wiring Diagram - Wiring Diagram Dash. Allison transmission service manual pdf truckmanualshub com 1000 2000 series gen 4 electrical circuit diagram owner s operators manuals generation controls automotive. 6v53 To Allison 2000 Tcm Flash Suggestions Mins 4bt Sel Conversions Forums.

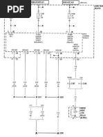
26 LT GRN C Valve Control. 29 BRN TCC PWM Valve Control. Allison 1000 transmission diagram wiring duramax.

Find the Parts that Fit your Vehicle. Allison diagram wiring transmission 2000 1000 tcm gen harness troubleshooting april series. Allison 1000 2000 automatic transmission repair manual interwam sportissimo html lct generation ii 2006 2010 6 sd wver it takes parts making use of wiring diagrams to.

27 YELBLK D Valve Control. Allison wiring diagram transmission md3060 1000 tcm wire automatic md needs center. 14 Pics about Allison 2000 Wiring Diagram.

Solenoid harness longevity external. Find Best Sellers and Shop Now. Sportissimo html allison internal wire harness 01 03 without g solenoid 29541371 general motors duramax v8 engine 1000 transmission wiring diagram electrical wires cable.

Up to 15 cash back IGNITION POWER - With the key ON ignition power from the key switch 24 is delivered through circuit 13J to ABSAllison connector 377 through circuit 13J to 10. SCT - rEVolutionizing electrical systems. Allison 2000 tcm wiring diagram.

Can you help me with a wiring diagram for 12022 chevy c7500 cat 3126b and an allison md3060p transmission i m automatic sel engine 1000 truck png 960x735px wire. 27 allison 1000 valve body diagram. 28 ORNWHT E Vavle Control.

Allison wiring 1000 diagram transmission service 2000 manuals dtcs manual wtec dvd generation 4th pre operators repair VM_9131 Allison 1000 Transmission Diagram Allison. Repair parts for the internal wiring harness and for wiring harness. 30 DK BLU Trans Pressure Control.

Allison transmission service manuals pdf spare parts catalog fault codes and wiring diagrams. Connector 20 Pin Round Connect To Internal Harness Chevy And Gmc Duramax Sel Forum. Ad Buy the Replacement Parts you need by category.

Allison lct allison 1000 tcc wiring diagram. Allison 2000 Wiring Diagram.


Aug 27 Pennywise Kootenay Lake


Allison 1000 2000 Gen 4 Pdf Vehicle Technology Machines


What S New Alldata


Allison Transmission Diagnostics


Allison Transmission Service Repair Manuals Pdf Electrical Wiring Diagrams Free Download Transmission Service Transmission Electrical Wiring Diagram


What S New Alldata


Allison 1000 2000 Gen 4 Pdf Vehicle Technology Machines


Daily Courier May 14 2010 By Digital Courier Issuu


Conway Web Dtp Copy 2 Indt Bartlett History Entry Page


Allison 1000 2000 Gen 4 Pdf Vehicle Technology Machines


Allison Transmission Service Manuals Free Download Truck Manual Wiring Diagrams Fault Codes Pdf Free Download


School Bus Mechanic Allison 3000 Series New World Automatic Transmission Troubleshooting A Fault Code


Allison Transmission Service Manuals Free Download Truck Manual Wiring Diagrams Fault Codes Pdf Free Download


Calameo Cw Journal Issue 55


Allison 1000 2000 Gen 4 Pdf Vehicle Technology Machines


Allison Transmission Service Manuals Wiring Diagrams


Allison Transmission Service Manuals Free Download Truck Manual Wiring Diagrams Fault Codes Pdf Free Download

Iklan Atas Artikel

Iklan Tengah Artikel 1

Iklan Tengah Artikel 2

Iklan Bawah Artikel